国内真正的永久免费砖石
电 话:0769-82658821
传 真:0769-89026606
手 机:18928261121
联系人:陈先生 (技术咨询)
网 址 :
地 址:广东省东莞市长安镇新安社区横岗头工业区

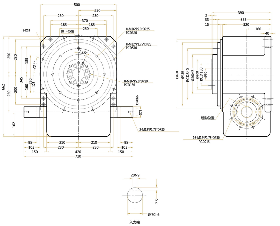
技术参数:
项目 | 符号 | 单位 | 数值 |
出力轴容许径向负荷 | C1 | kgf | 2500 |
出力轴容许轴向负荷 | C2 | kgf | 1800 |
出力轴容许力矩 | Ts | kgf-m | 参考力矩表 |
入力轴容许径向负荷 | C3 | kgf | 1900 |
入力轴最大弯曲力矩 | C4 | kgf | 2250 |
入力轴最大扭矩 | C5 | kgf-m | 670 |
入力轴的GD2(注1) | C6 | kgf-m² | 0.86 |
定位分割精度 | sec. | ±30 | |
重量 | kg | 500 | |
注1:入力轴的GD2是在停留范围内的数值 | 注2:C1至C5数值是达到安全系数=2时的数值 | ||