欢迎访问国内真正的永久免费砖石网站!分割器厂家拥有专业设备和技术,有凸轮分割器间歇分割器等产品,欢迎来电咨询!

电话.jpg

间歇分割器

产品中心

产品分类

联系我们

国内真正的永久免费砖石

电 话:0769-82658821 

传 真:0769-89026606

手 机:18928261121 

联系人:陈先生 (技术咨询)

邮 箱:[email protected]

网  址 :     

地 址:广东省东莞市长安镇新安社区横岗头工业区

KN95口罩机专用分割器

您的当前位置: 首 页 > 产品展示 > 分割器 > DS-心轴型分割器 > KN95口罩机专用分割器

平十字螺丝

  • 所属分类:分割器

  • 点击次数:0
  • 发布日期:2023-04-27 00:00:00
  • 更多
  • 在线询价
详细介绍
详细介绍

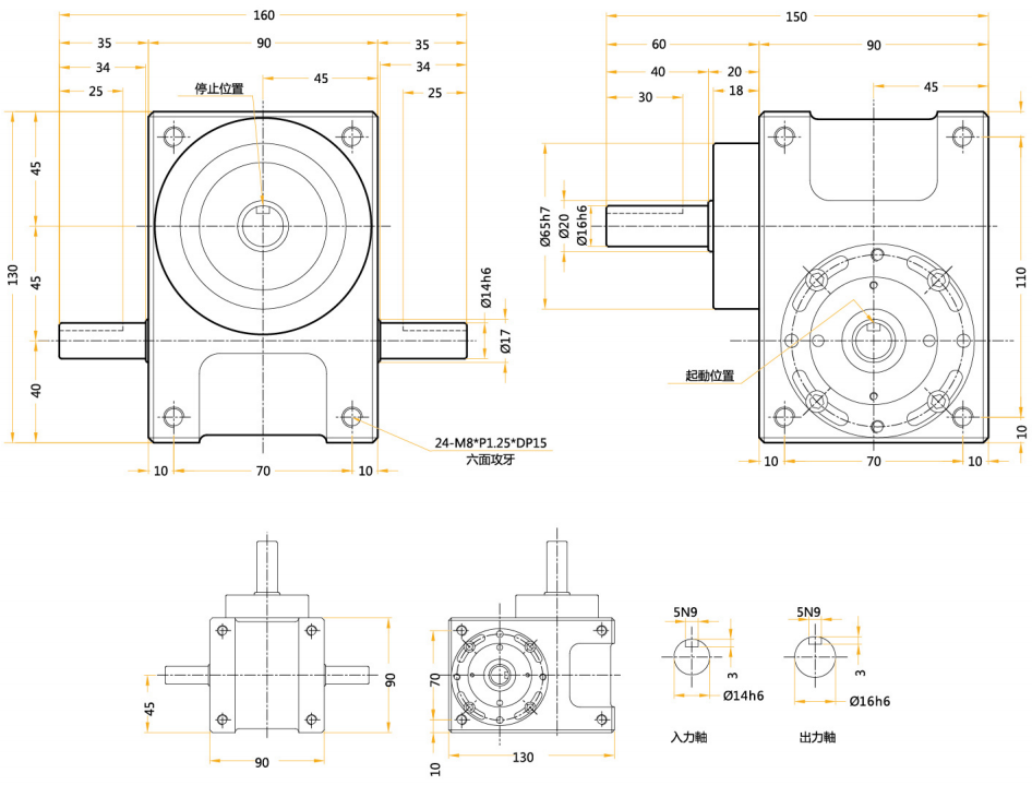
  KN95口罩机专用分割器实现-机多用的联动功能,在电机驱动下分割器入力轴和出力轴把动力分别传递给鼻梁线装料机构和送料机构,凸轮分割器的两侧入力轴为一体结构,一面用于动力输入,另一面用于动力输出, 而凸轮分割器出力轴连接装料机构同步轮。分割器入力轴属于无连续旋转;而出力轴的装料机构同步轮,是经过分割器的内部机构分度的机械动作后,就变成了间歇式的旋转输出,这种属性和功能是其它伺服或DD等所不具备的。

KN95口罩机专用分割器技术参数:

项目

符号

单位

数值

出力轴容许径向负荷

C1

kgf

80

出力轴容许轴向负荷

C2

kgf

72.5

出力轴容许力矩

Ts

kgf-m

参考力矩表

入力轴容许径向负荷

C3

kgf

85

入力轴最大弯曲力矩

C4

kgf

75

入力轴最大扭矩

C5

kgf-m

4

入力轴的GD²(注1)

C6

kgf-m²

3.2*10-4

定位分割精度


sec.

±30

重量


kg

7

注1:入力轴的GD²是在停留范围内的数值 

注2:C1至C5数值是达到安全系数=2时的数值

相关标签:KN95口罩机专用分割器KN95口罩机专用分割器厂家,价格,参数

上一篇:桌面型分割器
下一篇:DS-心轴型分割器

国内真正的永久免费砖石

联系人:陈先生(技术咨询)

电话:0769-82658821 

传真:0769-89026606

邮箱:[email protected]

地 址:广东省东莞市长安镇新安社区横岗头工业区

网址 :     

关注我们

分割器厂家

      加好友咨询

在线客服
分享 一键分享